連接件模型
Connector Model
Connector Model
聯系APAS / Contact us
- 地址:天津市西青經濟技術開發區賽達國際工業城A3-2.
- 郵箱:lxc@apas.com.cn
- 電話:022-87920088
- 傳真:請聯系網絡管理員
- 郵編:300385
- 咨詢熱線:13702119190(24小時服務熱線)
連接件模型
/ Connector Model

40系列40*規格鋁型材強力角碼3D(數模)模型
產品描述 / Name
本內容提供了40系列40*規格鋁型材強力角碼3d模型及數模,設計師可以下載SLDWORKS三維模型用于高強度鋁型材框架90度直角連接組裝;
022-87920099
可以根據需求進行設計加工,提供上門安裝服務;可以根據特殊需求進行鋁型材開模定制。
* 免費提供工業鋁型材選型手冊 →點擊咨詢
內容來源:http://m.shdingxiang.cn 作者:武將 發布日期:2020年03月20日 10時43分 閱讀次數:3453 次
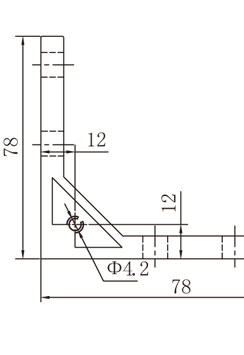
| CE-L7878-4036規格鋁型材強力角碼與標準角碼不同之處在于強力角碼每一側具有兩個緊固連接孔,緊固能力、支撐能力更強,且側面具有攻絲孔,可以進行加工處理用于端面蓋板的固定連接; |
![]() ![]()
|
| CE-L7878-4036規格鋁型材強力角碼主要適用于高承載框架的連接組裝,承載力高、緊固能力強,不容易出現松動現象;鋁型材角碼屬于6063-T5鋁延壓型材,材質為鋁鎂合金材料,表面經過噴砂陽極氧化處理,抗腐蝕能力強,適用于惡劣的生產環境之中; |
|
適用型材
|
L(mm)
|
D(mm)
|
材質
|
訂貨編號
|
|
40*
|
36
|
φ8.5
|
6063-T5
|
CE-L7878-4036
|
聯系APAS/ Contact us
天津艾普斯工業鋁型材股份有限公司
聯系電話:022-87920088
企業傳真:(避免惡意廣告)請聯系該企業網絡管理員
服務熱線:13702119190 (24小時服務熱線)
Q Q:534973906
企業郵箱: lxc@apas.com.cn
企業地址:天津市西青經濟技術開發區賽達國際工業城A3-2
聯系電話:022-87920088
企業傳真:(避免惡意廣告)請聯系該企業網絡管理員
服務熱線:13702119190 (24小時服務熱線)
Q Q:534973906
企業郵箱: lxc@apas.com.cn
企業地址:天津市西青經濟技術開發區賽達國際工業城A3-2
采購意向留言:* 為必填









.jpg)





QQ咨詢
電話聯系
聯系電話

在線留言
樣冊下載
